There is a scheduled quotes/orders outage today, from 3:00 AM to 8:00 AM US Eastern Time. Thank you for your understanding.

This product has been discontinued, please contact your local sales office for more information.
Unit of Measure

Specifications

Product Line

- Oriental Motor®

Motor Type

- Induction

Frame Size

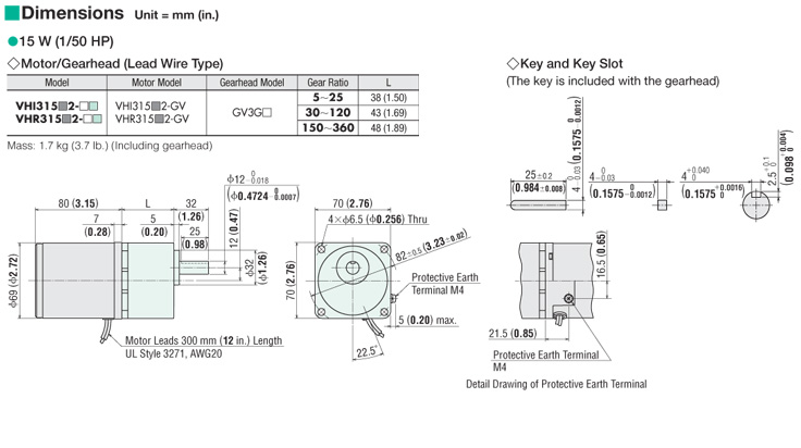
- 2.76 in70 mm

Output Power

- 15 W (1/50 HP)

Voltage (VAC)

- Single-Phase 110/115 VAC

Frequency (Hz)

- 60

Current

- 0.33 A [110 VAC] 0.34 A [115 VAC]

Shaft/Gear Type

- Parallel Shaft Gearhead

Gear Ratio (X:1)

- 100 :1

Output Shaft Diameter

- 12 mm

Type

- Lead Wire

Rated Torque

- 79 lb-in  9 N·m  

Rated Speed (rpm)

- 18

Permissible Load Inertia

- 1925 oz-in²350 x 10-4 kg·m²

Permissible Overhung Load

- 0.39 in. from Shaft End = 67 lb0.79 in. from Shaft End = 90 lb10 mm from Shaft End = 300 N20 mm from Shaft End = 400 N

Permissible Thrust Load

- 18 lb80 N

RoHS Compliant

- Yes

Safety Standards

- UL CSA CCC EN CE

CE Marking

- Low Voltage Directives

Insulation Resistance

- 100 MΩ or more when 500 VDC is applied between the windings and the frame after rated motor operation under normal ambient temperature and humidity.

Dielectric Strength

- Sufficient to withstand 1.5 kV at 50 Hz or 60 Hz applied between the windings and the frame for 1 minute after rated motor operation under normal ambient temperature and humidity.

Temperature Rise

- Temperature rise of windings are 144ºF (80ºC) or less measured by the resistance change method after rated motor operation with connection to gearhead.

Insulation Class

- Class B (266ºF [130ºC])

Overheat Protection

- Built-in thermal protector (Automatic return type). Operating temperature, open: 266ºF ± 9ºF (130ºC ± 5ºC) close: 179.6ºF ± 27ºF (82ºC ± 15ºC)

Ambient Temperature Range

- 14ºF ~ 104ºF (-10ºC ~ 40ºC) (nonfreezing)

Ambient Humidity

- 85% maximum (noncondensing)

Degree of Protection

- IP20

 

©2024 - ORIENTAL MOTOR USA CORP. - All Rights Reserved