There is a scheduled quotes/orders outage today, from 3:00 AM to 8:00 AM US Eastern Time. Thank you for your understanding.

This product has been discontinued, please contact your local sales office for more information.
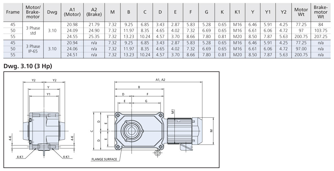
Unit of Measure

Specifications

Product Line

- GTR Series

Motor Type

- Induction

Frame Size

- 6.85 in173.99 mm

Mount

- Hollow Shaft

Output Power

- 3 HP

Voltage (VAC)

- Three-Phase 208/230/460 VAC

Frequency (Hz)

- 60

Shaft/Gear Type

- Right-Angle Hollow Shaft Gearhead

Gear Ratio (X:1)

- 15 :1

Output Shaft Diameter

- 1-3/8 in.

Type

- Terminal Box

Rated Torque

- 1345 lb-in  152 N·m  

Rated Speed (rpm)

- 113

Safety Standards

- UL CSA CE

Insulation Class

- Class A

Degree of Protection

- IP44

Motor Specifications

Full Load [nmotor]

- 1710 RPM (208 V)
1720 RPM (230 V)
1720 RPM (460 V)

Full Load Current [Imotor]

- 8.0 A (208 V)
8.0 A (230 V)
4.0 A (460 V)

Starting Current [Istart]

- 42.50 A (208 V)
47.50 A (230 V)
23.75 A (460 V)

Torque [Tmotor]

- 111.9 lb-in (208 V)
110.7 lb-in (230 V)
110.7 lb-in (460 V)  
12.64 N·m (208 V)
12.51 N·m (230 V)
12.51 N·m (460 V)  

Start Torque [Tstart]

- 257.7 lb-in (208 V)
315.0 lb-in (230 V)
315.0 lb-in (460 V)  
29.12 N·m (208 V)
35.59 N·m (230 V)
35.59 N·m (460 V)  

Starts per Minute

- 10

Brake Specifications

Brake Type

- Power-Off Activated Brake

Static Friction Torque

- 191 lb-in21.6 N·m

Brake Power Supply

- 90 VDC

Power Consumption

- 46 W

Excitation Current

- 0.51 A

Manufacturer Specifications

Type

- F3

Frame

- 45

Connection

- Steel

 

©2024 - ORIENTAL MOTOR USA CORP. - All Rights Reserved