There is a scheduled quotes/orders outage today, from 3:00 AM to 8:00 AM US Eastern Time. Thank you for your understanding.

This product has been discontinued, please contact your local sales office for more information.
Unit of Measure

Specifications

Product Line

- GTR Series

Motor Type

- Induction

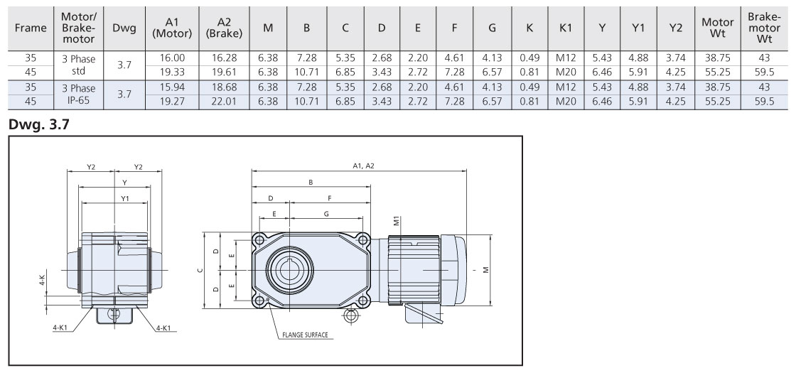
Frame Size

- 5.35 in135.89 mm

Mount

- Hollow Shaft

Output Power

- 1 HP

Voltage (VAC)

- Three-Phase 208/230/460 VAC

Frequency (Hz)

- 60

Shaft/Gear Type

- Right-Angle Hollow Shaft Gearhead

Gear Ratio (X:1)

- 15 :1

Output Shaft Diameter

- 1-1/4 in.

Type

- Terminal Box

Rated Torque

- 460 lb-in  52 N·m  

Rated Speed (rpm)

- 113

Safety Standards

- UL CSA CE

Insulation Class

- Class A

Degree of Protection

- IP44

Motor Specifications

Full Load [nmotor]

- 1730 RPM (208 V)
1730 RPM (230 V)
1740 RPM (460 V)

Full Load Current [Imotor]

- 3.10 A (208 V)
3.00 A (230 V)
1.52 A (460 V)

Starting Current [Istart]

- 15.50 A (208 V)
17.10 A (230 V)
8.60 A (460 V)

Torque [Tmotor]

- 36.70 lb-in (208 V)
36.70 lb-in (230 V)
36.70 lb-in (460 V)  
4.15 N·m (208 V)
4.15 N·m (230 V)
4.15 N·m (460 V)  

Start Torque [Tstart]

- 80.60 lb-in (208 V)
98.80 lb-in (230 V)
98.80 lb-in (460 V)  
9.11 N·m (208 V)
11.16 N·m (230 V)
11.16 N·m (460 V)  

Starts per Minute

- 10

Brake Specifications

Brake Type

- Power-Off Activated Brake

Static Friction Torque

- 65 lb-in7.30 N·m

Brake Power Supply

- 90 VDC

Power Consumption

- 24 W

Excitation Current

- 0.27A

Manufacturer Specifications

Type

- F3

Frame

- 35

Connection

- Steel

 

©2024 - ORIENTAL MOTOR USA CORP. - All Rights Reserved