There is a scheduled quotes/orders outage today, from 3:00 AM to 8:00 AM US Eastern Time. Thank you for your understanding.

This product has been discontinued please contact your local sales office for more information.
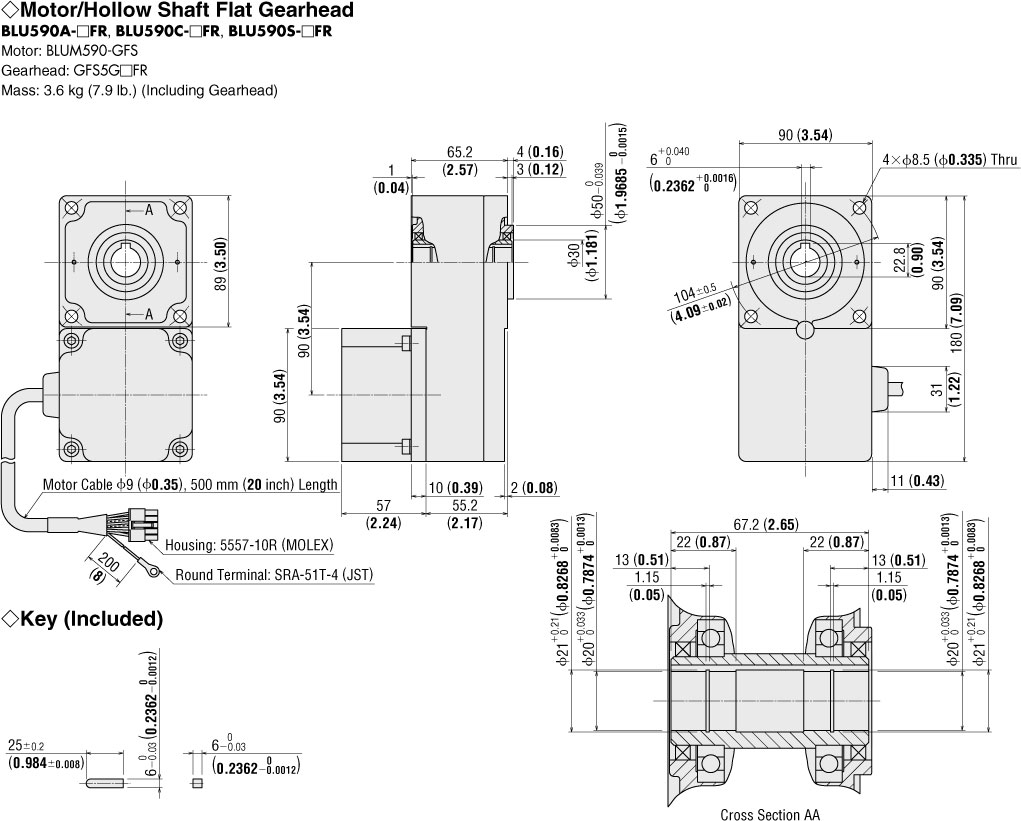
Unit of Measure

Specifications

Product Line

- VEXTA®

Motor Type

- Brushless DC Motor

Motor Frame Size

- 3.54 in.90 mm

Output Power

- 90 W (1/8 HP)

Power Supply

- Single-Phase 100-115 VAC

Shaft/Gear Type

- Hollow Shaft Flat Gearhead

Gear Ratio (X:1)

- 50 :1

Rated Torque

- 169 lb-in19.1 N·m

Variable Speed Range (r/min)

- 2 ~ 40

Permissible Load Inertia

- 25000 oz-in²4500 x 10-4 kg·m²

Permissible Overhung Load

- 0.39 in. from gearhead mounting surface = 330 lb0.79 in. from gearhead mounting surface = 280 lb10 mm from gearhead mounting surface = 1500 N20 mm from gearhead mounting surface = 1280 N

Permissible Thrust Load

- 112 lb500 N

Max. Extension Length (m)

- 10.50

Components

- BLUM590-GFS (Motor) BLUD90A (Driver) GFS5G50FR (Gearhead)

RoHS Compliant

- Yes

Safety Standards

- UL CSA EN CE

CE Marking

- Low Voltage Directives EMC Directives

Acceleration/Deceleration Time

- 0.5~10 Sec. (at 2000 r/min with no load) (The actual speed may change by load condition.) A common value is set using the acceleration/deceleration time potentiometer provided at the back of the front panel.

Insulation Class

- UL, CSA: Class A [105ºC (221ºF)] EN: Class E [120ºC (248ºF)]

Insulation Resistance (Motor)

- 100 MΩ or more when 500 VDC megger is applied between the windings and the frame after continuous operation at normal temperature and humidity.

Insulation Resistance (Driver)

- 100 M Ω or more when 500 VDC megger is applied between the power supply input terminal and the ground terminal, and between the power supply input terminal and the I/O terminal after continuous operation at normal temperature and humidity.

Dielectric Strength (Motor)

- Sufficient to withstand 1.5 kVAC at 50 Hz applied between the windings and the frame for 1 minute after continuous operation at normal temperature and humidity.

Dielectric Strength (Driver)

- Sufficient to withstand 1.8 kVAC at 50 Hz applied between the ground and power supply input terminals & 3 kVAC at 50 Hz applied between the ground and I/O terminals for 1 min. after continuous operation at normal temperature and humidity.

Ambient Temperature Range

- [Motor] UL, CAS: 0ºC ~ +40ºC (32ºF ~ 104ºF) (nonfreezing)
EN: 0ºC ~ +50ºC (32ºF ~ 122ºF) (nonfreezing)
[Driver] 0ºC ~ 40ºC (32ºF ~ 104ºF) (nonfreezing)

Ambient Humidity

- 85% max. (noncondensing)

Operating Atmosphere

- No corrosive gases or dust. Cannot be used in a radioactive area, magnetic field, vaccuum or other special environment.

Degree of Protection

- [Motor] IP65 (excluding connectors) [Driver] IP10

Speed Control Features

Speed Control Method (Select one of the following)

- Panel mounted potentiometer

Number of Speed Settings

- 1

Instantaneous Stop

- Yes

Multi-Axes Control

- No

Alarm Output

- Yes

Position Control Mode

- No

Torque Limit Control

- No

Vertical Drive (Gravitational Operation)

- No

Product Features

-

Easy Connection, Easy Operation

The motor can be connected simply by plugging the connector into the driver. There is no need for troublesome wiring. The motor speed can be set using the potentiometer on the front panel easily.

External Control Possible

Start/stop, rotation direction switching and instantaneous stop can be controlled using external signals. You can also switch between sink logic and source logic in accordance with the output type of your controller.

Speed - TorqueWide Speed Control Range

In addition to feedback control, the BLU Series adopts a unique motor structure design to achieve a wide speed variation range. The motor of the BLU Series can be operated at varying speeds of 100 to 2000 r/min (speed ratio 20:1).


 

Excellent Speed Stability

The driver adjusts the current flow to the motor by comparing the feedback signal of the motor speed against the set speed, in order to stabilize the motor speed. This mechanism ensures stable driving speeds from low to high, even in situations where the load condition fluctuates. With the BLU Series the speed regulation is ±0.5%.

Compact SizeSlim, Yet Powerful

A permanent magnet is assembled into the rotor, so the brushless motor can produce high power from its slim body. The compact unit allows for downsizing of applications.


 

Power Loss ComparisonEnergy Saving

The brushless motor has a permanent magnet assembled into the rotor, so it produces low secondary loss. At an output of 90 W (1/8 HP), for example, the BLU Series is approximately 50% less than the power consumption of an inverter-controlled AC motor. The BLU Series will contribute to the energy-saving operation of your factory automation equipment.


IP65 Motor Structure

The motor is protected against water intrusion, should water come in contact with the motor. The motor must not be washed with water and is not suitable for use in an environment where it constantly comes in contact with water.

Space SavingHollow Shaft Flat Gearhead

Space-Saving and Low-Cost
The output shaft can be coupled directly to your drive shaft without using a coupling. The flexible installation modes, such as installation on either the front or rear face or by using the center shaft, allows you to reduce the size and installation space of your equipment. Sine no shaft-coupling parts are needed, the parts cost and assembly man-hours will also decrease.


Higher Permissible TorqueHigh Permissible Torque
While the parallel shaft gearhead lets the permissible torque saturate at high gear ratios, the hollow shaft flat gearhead enables the motor torque to be utilized to its maximum capability.


 


 

©2024 - ORIENTAL MOTOR USA CORP. - All Rights Reserved