There is a scheduled quotes/orders outage today, from 3:00 AM to 8:00 AM US Eastern Time. Thank you for your understanding.

Incorporating the SH gears with high permissible torque delivers high resolution, high torque and smooth low-speed rotation.


Unit of Measure

Lead Time

Available to Ship1 - {Contact your local sales office for more information.}

Specifications

Return Policy

- This product cannot be cancelled or returned once the order has been processed.

Product Line

- VEXTA®

Motor Type

- 2-Phase

Motor Frame Size

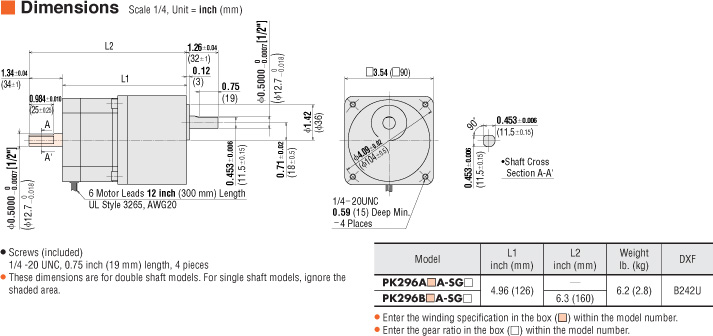
- 3.54 in. sq.

Shaft/Gear Type

- Spur Gear (Offset Shaft)

Gear Ratio (X:1)

- 7.2 :1

Holding Torque

- 704 oz-in

Type

- Geared

Connection Type

- Bipolar (Series) Unipolar

Lead Wires

- 6

Current per Phase (A/phase)

- 2.1 [Bipolar (Series)] 3 [Unipolar]

Encoder

- Not Equipped

Shaft

- Double

Voltage (VDC)

- 2 [Bipolar (Series)]
1.4 [Unipolar]

Resistance (Ω/phase)

- 0.96 [Bipolar (Series)]
0.48 [Unipolar]

Inductance (mH/phase)

- 6 [Bipolar (Series)]
1.5 [Unipolar]

Step Angle

- 0.25 °

Rotor Inertia (oz-in2)

- 7.7 oz-in2

RoHS Compliant

- Yes

Insulation Resistance

- 100 MΩ or more when 500 VDC megger is applied between the windings and the case under normal ambient temperature and humidity.

Dielectric Strength

- Sufficient to withstand 1.0 kVAC at 50 Hz or 60 Hz applied between the windings and the case for 1 minute under normal ambient temperature and humidity.

Temperature Rise

- Temperature rise of the windings is 144ºF (80ºC) or less measured by the change resistance method. (at rated voltage, at standstill, 2 phases energized)

Insulation Class

- Class B [266ºF (130ºC)]

Ambient Temperature Range

- 14 ~ 122ºF (-10 ~ 50ºC) (non-freezing)

Ambient Humidity

- 85% or less (Non-Condensing)

Shaft Runout

- 0.05 mm (0.002 in.) T.I.R.

Concentricity

- 0.075 mm (0.003 in.) T.I.R.

Perpendicularity

- 0.075 mm (0.003 in.) T.I.R.

Radial Play

- 0.025 mm (0.001 in.) maximum of 5 N (1.12 lb.)

Axial Play

- 0.075 mm (0.003 in.) maximum of 10 N (2.2 lb.)
  • 1 Quoted Ship Date for orders placed before 12:00pm PST in quantities listed.
    A newer version of this product is available, contact your local sales office for more information.

 

©2024 - ORIENTAL MOTOR USA CORP. - All Rights Reserved