There is a scheduled quotes/orders outage today, from 3:00 AM to 8:00 AM US Eastern Time. Thank you for your understanding.

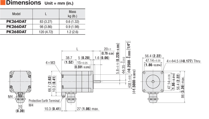
The PK series stepper motor with terminal box offers balanced performance enhanced by high torque, low vibration and low noise.


Compatible Motors (sold separately)

Unit of Measure

Lead Time

Available to Ship1 - {Contact your local sales office for more information.}

Specifications

Return Policy

- This product cannot be cancelled or returned once the order has been processed.

Product Line

- VEXTA®

Motor Type

- 2-Phase

Motor Frame Size

- 2.22 in. sq.

Shaft/Gear Type

- Round Shaft (No Gearhead)

Holding Torque

- 240 oz-in

Type

- Standard

Connection Type

- Bipolar

Lead Wires

- 4

Current per Phase (A/phase)

- 2.8

Encoder

- Not Equipped

Shaft

- Single

Voltage (VDC)

- 3.16 [Bipolar]

Resistance (Ω/phase)

- 1.13 [Bipolar]

Inductance (mH/phase)

- 3.6 [Bipolar]

Step Angle

- 1.8 °

Rotor Inertia (oz-in2)

- 2.6 oz-in2

RoHS Compliant

- Yes

Insulation Resistance

- 100 MΩ or more when 500 VDC megger is applied between the windings and the case under normal ambient temperature and humidity.

Dielectric Strength

- Sufficient to withstand 1.0 kVAC at 50 Hz or 60 Hz applied between the windings and the case for 1 minute under normal ambient temperature and humidity.

Temperature Rise

- Temperature rise of the windings is 144ºF (80ºC) or less measured by the change resistance method. (at rated voltage, at standstill, 2 phases energized)

Insulation Class

- Class B [266ºF (130ºC)] [Recognized as Class A (221ºF) (105ºC) by UL/CSA standard.]

Ambient Temperature Range

- 14 ~ 122ºF (-10 ~ 50ºC) (non-freezing)

Ambient Humidity

- 85% or less (Non-Condensing)

Shaft Runout

- 0.05 mm (0.002 in.) T.I.R.

Concentricity

- 0.075 mm (0.003 in.) T.I.R.

Perpendicularity

- 0.075 mm (0.003 in.) T.I.R.

Radial Play

- 0.025 mm (0.001 in.) maximum of 5 N (1.12 lb.)

Axial Play

- 0.075 mm (0.003 in.) maximum of 10 N (2.2 lb.)

Step Accuracy

- ±3 arc minutes (±0.05º)
  • 1 Quoted Ship Date for orders placed before 12:00pm PST in quantities listed.
    A newer version of this product is available, contact your local sales office for more information.

 

©2024 - ORIENTAL MOTOR USA CORP. - All Rights Reserved