There is a scheduled quotes/orders outage today, from 3:00 AM to 8:00 AM US Eastern Time. Thank you for your understanding.

This item has been discontinued. Please contact our technical support team for a replacement.
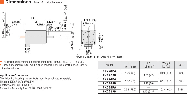
Unit of Measure

Specifications

Return Policy

- This product cannot be cancelled or returned once the order has been processed.

Product Line

- VEXTA®

Motor Type

- 2-Phase

Motor Frame Size

- 1.1 in. sq.

Shaft/Gear Type

- Round Shaft (No Gearhead)

Holding Torque

- Bipolar (Series) 9.2 oz-inUnipolar 7.1 oz-in

Type

- High-Torque

Connection Type

- Bipolar (Series) Unipolar

Lead Wires

- 6

Current per Phase (A/phase)

- 0.67 [Bipolar (Series)] 0.95 [Unipolar]

Encoder

- None

Shaft

- Double

Voltage (VDC)

- 3.8 [Bipolar (Series)]
2.66 [Unipolar]

Resistance (Ω/phase)

- 5.6 [Bipolar (Series)]
2.8 [Unipolar]

Inductance (mH/phase)

- 4 [Bipolar (Series)]
1 [Unipolar]

Step Angle

- 1.8 °

Rotor Inertia (oz-in2)

- 0.049 oz-in2

RoHS Compliant

- Yes

Insulation Resistance

- 100 MΩ or more when 500 VDC megger is applied between the windings and the case under normal ambient temperature and humidity.

Dielectric Strength

- Sufficient to withstand 0.5 kVAC at 50 Hz or 60 Hz applied between the windings and the case for 1 minute under normal ambient temperature and humidity.

Temperature Rise

- Temperature rise of the windings is 144ºF (80ºC) or less measured by the change resistance method. (at rated current, at standstill, 2 phases energized)

Insulation Class

- Class B [266ºF (130ºC)]

Ambient Temperature Range

- 14 ~ 122ºF (-10 ~ 50ºC) (non-freezing)

Ambient Humidity

- 85% or less (Non-Condensing)

Shaft Runout

- 0.05 mm (0.002 in.) T.I.R.

Concentricity

- 0.075 mm (0.003 in.) T.I.R.

Perpendicularity

- 0.075 mm (0.003 in.) T.I.R.

Radial Play

- 0.025 mm (0.001 in.) maximum of 5 N (1.12 lb.)

Axial Play

- 0.075 mm (0.003 in.) maximum of 2.5 N (0.56 lb.)

Step Accuracy

- ±3 arc minutes (±0.05º)

 

©2024 - ORIENTAL MOTOR USA CORP. - All Rights Reserved