There is a scheduled quotes/orders outage today, from 3:00 AM to 8:00 AM US Eastern Time. Thank you for your understanding.

This product is no longer offered by Oriental Motor, please contact your local sales office.

Specifications

Product Line

- VEXTA®

Motor Type

- Brushless DC Motor

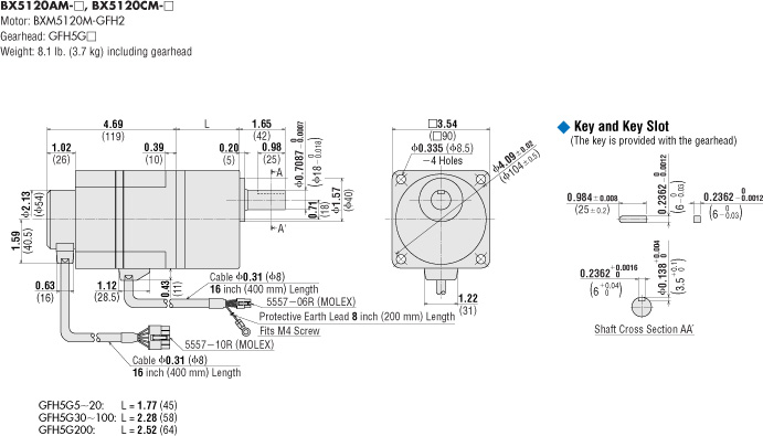
Motor Frame Size

- 3.54 in. sq.

Output Power

- 120 W (1/6 HP)

Power Supply

- Single-Phase/Three-Phase 200-230 VAC

Shaft/Gear Type

- Parallel Shaft Gearhead

Gear Ratio (X:1)

- 5 :1

Electromagnetic Brake

- Equipped

Control Module Included

- No

Variable Speed Range (r/min)

- 6 ~ 600

Rated Torque (lb-in)

- 16.80

Permissible Load Inertia

- 250 oz-in2

Speed Control Method (Select one of the following)

- Internal potentiometer External DC voltage External potentiometer (20kΩ, 1/4W)

Number of Speed Settings

- 2

Instantaneous Stop

- Yes

Multi-Axes Control

- Yes

Alarm Output

- Yes

Position Control Mode

- No

Torque Limit Control

- No

Vertical Drive (Gravitational Operation)

- Yes

Max. Extension Length (m)

- 20

Components

- GFH5G5 (Gearhead) BXM5120M-GFH2 (Motor) BXD120A-C (Driver)

RoHS Compliant

- No

Safety Standards

- UL CSA EN CE

CE Marking

- Low Voltage Directives EMC Directives

Insulation Class

- [Motor] Class A [221ºF (105ºC)]

Insulation Resistance (Motor)

- 100 MΩ or more when 500 VDC megger is applied between the windings and the case after continuous operation under normal ambient temperature and humidity (except for encoder).

Insulation Resistance (Driver)

- 100 M Ω or more when 500 VDC megger is applied between the power supply input terminal and the case, and between the power supply input terminal and the I/O terminal after continuous operation under normal ambient temperature and humidity.

Dielectric Strength (Motor)

- Sufficient to withstand 1.5 kVAC at 50 Hz applied between the windings and the case for 1 minute after continuous operation under normal ambient temperature and humidity (except for encoder).

Dielectric Strength (Driver)

- Sufficient to withstand 1.5 kVAC, 50 Hz applied between case and power supply input for 1 min. and 1.8 kVAC, 50 Hz applied between power supply input and the I/O terminal for 1 min. after continuous operation under normal ambient temperature and humidity.

Control System

- PWM Control

Control Detection System

- Optical Encoder (500 P/R)

Ambient Temperature Range

- 32ºF ~ 122ºF (0ºC ~ 50ºC), nonfreezing

Ambient Humidity

- 85% maximum, noncondensing

Operating Atmosphere

- No corrosive gases or dust. Use in a radioactive or magnetic field, vacuum or any other special environment is prohibited.

Multi-Speed Setting Method

- 1 speed set by the internal speed potentiometer and 1 speed set by the external speed potentiometer (20 kΩ, 1/4 W) or external DC voltage (0 ~ 5 VDC)


 

©2024 - ORIENTAL MOTOR USA CORP. - All Rights Reserved