There is a scheduled quotes/orders outage today, from 3:00 AM to 8:00 AM US Eastern Time. Thank you for your understanding.

This item has been discontinued. Please contact our technical support team for a replacement.
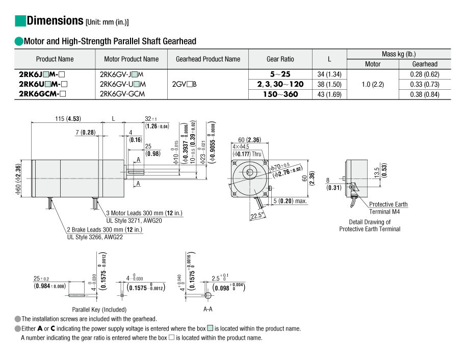
Unit of Measure

Product Line

- Oriental Motor®

Motor Type

- Reversible

Frame Size

- 2.36 in60 mm

Output Power

- 6 W (1/125 HP)

Voltage (VAC)

- Single-Phase 110/115 VAC

Frequency (Hz)

- 60

Current

- 0.211 A [110 VAC] 0.218 A [115 VAC]

Type

- Lead Wire

Electromagnetic Brake

- Equipped

Shaft/Gear Type

- Parallel Shaft Gearhead

Gear Ratio (X:1)

- 18 :1

Output Shaft Diameter

- 10 mm

Rated Torque

- 5.1 lb-in  0.58 N·m  

Rated Speed (rpm)

- 100

Permissible Load Inertia

- 880 oz-in²When performing instantaneous stop = 110 oz-in²160 x 10-4 kg·m²When performing instantaneous stop = 20.1 x 10-4 kg·m²

Permissible Overhung Load

- 0.39 in. from Output Shaft End = 33 lb0.79 in. from Output Shaft End = 45 lb10 mm from Output Shaft End = 150 N20 mm from Output Shaft End = 200 N

Permissible Thrust Load

- 9 lb40 N

Components

- 2RK6GV-UAM [Motor] 2GV18B [Gearhead]

RoHS Compliant

- These products do not contain substances that exceed the regulation values in the RoHS Directive.

Safety Standards

- UL CE

CE Marking

- Low Voltage Directives

Insulation Resistance

- 100 MΩ or more when 500 VDC megger is applied between the windings and the case after rated operation under normal ambient temperature and humidity.

Dielectric Strength

- Sufficient to withstand 1.5 kV at 50 Hz or 60 Hz applied between the windings and the case for 1 minute after rated operation under normal ambient temperature and humidity.

Temperature Rise

- Temperature rise of windings are 144ºF (80ºC) or less measured by the resistance change method after rated operation under normal ambient temperature and humidity with 115 mm x 115 mm x 5mm Aluminum heat sink.

Insulation Class

- 130 (B)

Overheat Protection

- Impedance protection

Ambient Temperature Range

- 14ºF ~ 104ºF (-10ºC ~ 40ºC) (nonfreezing)

Ambient Humidity

- 85% or less (noncondensing)

Degree of Protection

- IP20

Voltage (Brake)

- Single-Phase 110/115 VAC

Current (Brake)

- 0.03 A

Input

- 3 W

Static Friction Torque

- 4.2 oz-in0.03 N·m

Braking Characteristics

-
 


 


 


 


 


 

©2024 - ORIENTAL MOTOR USA CORP. - All Rights Reserved