There is a scheduled quotes/orders outage today, from 3:00 AM to 8:00 AM US Eastern Time. Thank you for your understanding.

This product has been discontinued, please contact your local sales office for more information.
Unit of Measure

Lead Time

Lead Time1 - This product has been discontinued, please contact your local sales office for more information

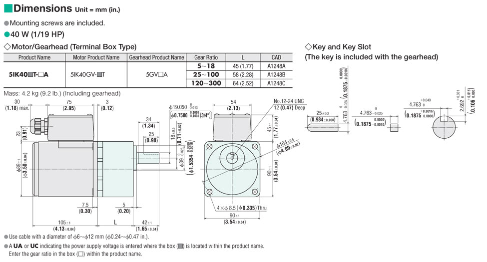
Specifications

Product Line

- Oriental Motor®

Motor Type

- Induction

Frame Size

- 3.54 in90 mm

Output Power

- 40 W (1/19 HP)

Voltage (VAC)

- Single-Phase 110/115 VAC

Frequency (Hz)

- 60

Current

- 0.65 A [115 VAC] 0.66 A [110 VAC]

Shaft/Gear Type

- Parallel Shaft Gearhead

Gear Ratio (X:1)

- 250 :1

Output Shaft Diameter

- 3/4 in.

Type

- Terminal Box

Rated Torque

- 260 lb-in  30 N·m  

Rated Speed (rpm)

- 7.20

Permissible Load Inertia

- 15000 oz-in²2750 x 10-4 kg·m²

Permissible Overhung Load

- 0.39 in. from Shaft End = 112 lb0.79 in. from Shaft End = 157 lb10 mm from Shaft End = 500 N20 mm from Shaft End = 700 N

Permissible Thrust Load

- 33 lb150 N

Components

- 5GV250A [Gearhead] 5IK40GV-UAT [Motor]

RoHS Compliant

- Yes

Safety Standards

- UL CE

CE Marking

- Low Voltage Directives

Insulation Resistance

- 100 MΩ or more when 500 VDC megger is applied between the windings and the case after rated operation under normal ambient temperature and humidity.

Dielectric Strength

- Sufficient to withstand 1.5 kV at 50 Hz or 60 Hz applied between the windings and the case for 1 minute after rated operation under normal ambient temperature and humidity.

Temperature Rise

- Temperature rise of windings are 144ºF (80ºC) or less measured by the resistance change method after rated operation under normal ambient temperature and humidity.

Thermal Class

- 130 (B)

Overheat Protection

- Built-in thermal protector (automatic return type). Open: 266 ± 9ºF (130 ± 5ºC) Close: 185 ± 36ºF (85 ± 20ºC)

Ambient Temperature Range

- 14°F ~ 104°F (-10°C ~ 40°C) (nonfreezing)

Ambient Humidity

- 85% or less (noncondensing)

Degree of Protection

- IP65 (exclusing the installation surface)
  • 1 Quoted Ship Date for orders placed before 12:00 pm PST. Quantities may affect Shipping Date.

 

©2024 - ORIENTAL MOTOR USA CORP. - All Rights Reserved