There is a scheduled quotes/orders outage today, from 3:00 AM to 8:00 AM US Eastern Time. Thank you for your understanding.

This product has been discontinued. Please contact your local sales office for more information.

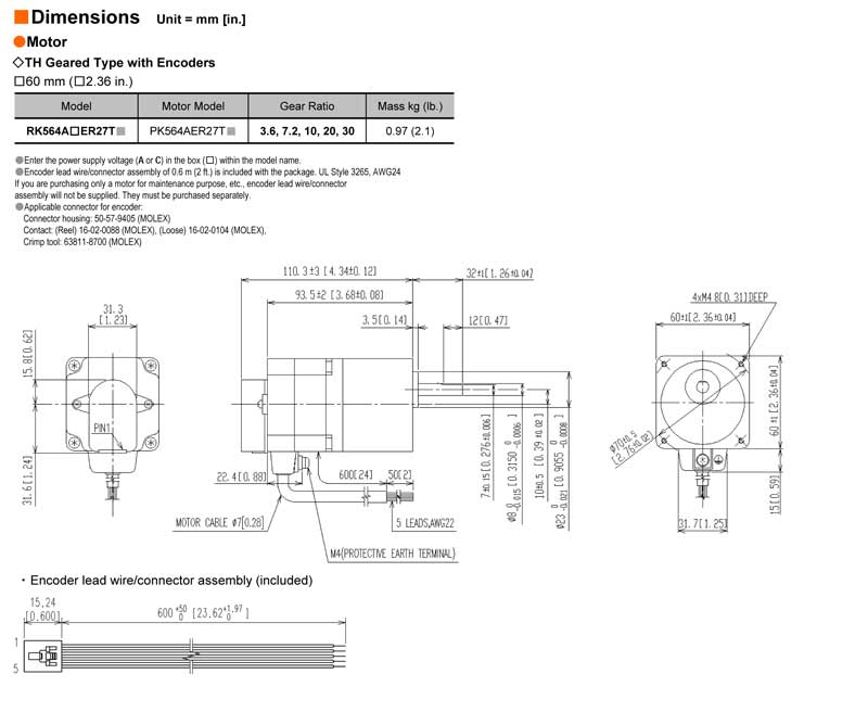
Encoder Model Available

Unit of Measure

Specifications

Motor Type

- 5-Phase

Frame Size

- 2.36 in60 mm

Speed-Torque Characteristics

-
Speed - Torque Characteristics

Holding Torque

- 560 oz-in4 N·m

Type

- Geared

Shaft/Gear Type

- Taper Hobbed Gear

Gear Ratio (X:1)

- 30 :1

Backlash

- 10 arc min (0.17º)

Shaft

- Single

Power Supply

- Single-Phase 200-230 VAC

Current

- 3.5 A

Basic Step Angle

- Microstep- 0.000096º ~ 0.024º

Permissible Speed Range (r/min)

- 0 ~ 60

Rotor Inertia

- 0.96 oz-in²175x10-7 kg·m²

RoHS Compliant

- Yes

Safety Standards

- UL CSA EN CE

CE Marking

- Low Voltage Directives EMC Directives

Components

- PK564AER27T30 (Motor) RKD514L-C (Driver)

Insulation Resistance (Motor)

- 100 MΩ minimum under normal temperature and humidity, when measured by a 500 VDC megger between the windings and the motor casing.

Insulation Resistance (Driver)

- 100 M Ω under normal temp and humidity, when measured by a 500VDC megger between the Power input terminal-PE terminal, Motor output terminal-PE terminal, Signal I/O terminals-Power input terminal, Signal I/O terminals-Motor output terminal

Dielectric Strength (Motor)

- Sufficient to withstand 1.5 kV, 50 Hz or 60 Hz applied for 1 minute between the windings and casing under normal temperature and humidity.

Dielectric Strength (Driver)

- Sufficient to withstand 1 min. at normal temp and humidity: Power-PE terminals 1.5k VAC 50 or 60Hz, Motor output-PE terminals 1.5k VAC 50 or 60Hz, Signal I/O-Power terminals 1.8k VAC 50 or 60Hz, Signal I/O-Motor output terminals 1.8k VAC 50 or 60Hz

Insulation Class

- [Motor] Class B [266ºF (130ºC)] [Recognized as Class A 221ºF (105ºC) by UL standard]

Ambient Temperature Range

- [Motor] 14ºF ~ 122ºF (-10ºC ~ 50ºC) (nonfreezing) [Driver] 32°F ~ 122ºF (0ºC ~ 50ºC) (nonfreezing)

Ambient Humidity

- 85% or less (noncondensing)

Operating Atmosphere

- No corrosive gases, dust, water or oil.

Temperature Rise

- Temperature rise of the coil measured by the Change Resistance Method is 144ºF (80ºC) or less (at rated current, at standstill, five phases energized).

Shaft Runout

- 0.002 in (0.05 mm) T.I.R.

Concentricity

- 0.003 in. (0.075 mm) T.I.R.

Perpendicularity

- 0.003 in. (0.075 mm) T.I.R.

Stop Position Accuracy

- ±5 arc minutes (±0.084º)

Radial Play

- 0.001 inch (0.025 mm) max. of 1.12 lb. (5 N)

Axial Play

- 0.003 in (0.075 mm) max. of 2.2 lb. (10 N)

Permissible Overhung Load

- 0 in. from Shaft End = 15.7 lb0.2 in. from Shaft End = 18 lb0.39 in. from Shaft End = 22 lb0.59 in. from Shaft End = 27 lb0.79 in. from Shaft End = 33 lb0 mm from Shaft End = 70 N5 mm from Shaft End = 80 N10 mm from Shaft End = 100 N15 mm from Shaft End = 120 N20 mm from Shaft End = 150 N

Permissible Thrust Load

- 9 lb40 N

Encoder Specifications

Encoder Type

- Incremental

Encoder Resolution (P/R)

- 500

Output

- 3-Channel A, B, Index

Input Current (mA)

- 55 (Typ.)

Input Voltage (V)

- 5

Output Type

- TTL

Output Voltage (Low)

- 0.5 VDC, 8 mA

Output Voltage (High)

- 2.0 VDC, -8 mA

Response Frequency (kHz)

- 300 (Max.)

Features

-

RK Series Stepping Motor & Driver Packages

The RK Series incorporates new functions and state-of-the-art technologies to achieve the ultimate performance of a stepping motor. The series offers various types of motors including the standard type, IP65 rated motor type, Harmonic, Planetary and Taper Hobbed geared stepping motors. Three frame sizes of 1.65 in. (42 mm), 2.36 in. (60 mm) and 3.35 in. (85 mm) [3.54in. (90 mm)] are available. The wide-range of motor variations and affordable price make the RK Series a perfect solution for your various applications.

Smooth Drive Function

The Smooth Drive Function ensures low-vibration and low-noise operation at low speeds by internally executing microstepping within the driver, working independently of the input pulse frequency of your controller.

Smooth Drive Function


Microstep Drive System

The motor's basic step angle is divided by a maximum of 1/250 without the use of a reduction mechanism or other mechanical means. Sixteen resolution levels are available, enabling fine positioning and further reduction of vibration and noise. A motion sequence of "low-speed transfer > high-speed return" can easily be performed without the need for changing from a microstep pulse frequency to a full-step operation. The RK Series can also be used in full-step operation.

100-115 VAC, 200-230 VAC Power Source Variation

The RK Series can be used with most common power supplies available around the world. They also comply with international standards, ensuring safe operation.

Angle AccuracyImproved Angle Accuracy

Angle accuracy may decrease during use of microstep drivers, due to the effect of current control. However, the drivers used in the RK Series are designed to ensure that the motor operates at maximum accuracy.


ResponseImproved Response

The RK Series, with its high starting frequency, shortens the machine cycle without affecting acceleration/deceleration rates. This produces a significant savings in time for an operation in which the same cycle is repeated thousands of times each day.


Safe OperationCompliance with Safety Standards

The RK Series complies with the UL/CSA and EN standards. (With the RK54* type, only the driver conforms to the CSA standard.) The CE marking certifies compliance with the EMC Directive and Low-Voltage Directive. Additionally, the RK Series conforms to the EMC Directive only through its use of surge arrester. The RK Series doesn't require an external ferrite core or filter in the motor line or power line.


PE TerminalProtective Earth Terminal

[Excluding motors with a frame size of 1.65 in. (42mm)]


Extended Bearing Life

The life of a motor is affected by its bearing. The RK Series achieves approximately twice the life of a conventional motor by adopting a modified bearing. [Available only with the standard type with a frame size of 2.36 in. (60mm) or 3.35 in. (85mm).]

EncoderEncoder Option Available

The RK Series stepping motor with encoder offers high torque and precise feedback capability.

  • 500 pulse/rev.
  • 3-channel TTL type

Product Lineup

-

RK Series Product Lineup

Product Lineup

 


 

©2024 - ORIENTAL MOTOR USA CORP. - All Rights Reserved