There is a scheduled quotes/orders outage today, from 3:00 AM to 8:00 AM US Eastern Time. Thank you for your understanding.

This product is no longer offered by Oriental Motor, please contact your local sales office.

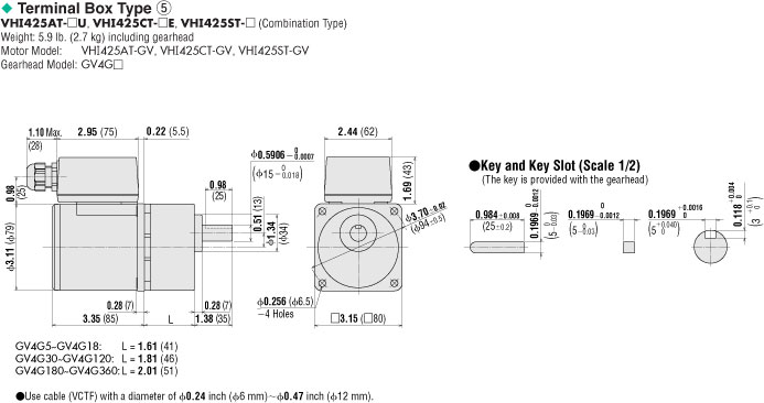
Specifications

Product Line

- Oriental Motor®

Motor Type

- Induction

Motor Frame Size

- 3.15 in. sq.

Output Power

- 25 W (1/30 HP)

Voltage (VAC)

- Single-Phase 220/230 VAC

Frequency (Hz)

- 60 50

Gear Ratio (X:1)

- 30 :1

Shaft/Gear Type

- Parallel Shaft Gearhead

Type

- Terminal Box

Rated Torque (lb-in)

- 46 [50 Hz] 38 [60 Hz]

Rated Speed (rpm)

- 50 [50 Hz] 60 [60 Hz]

Permissible Load Inertia

- 1530 oz-in2

RoHS Compliant

- No

Safety Standards

- UL CSA EN CE

CE Marking

- Low Voltage Directives

Insulation Resistance

- 100 MΩ or more when 500 VDC is applied between the windings and the frame after rated motor operation under normal ambient temperature and humidity.

Dielectric Strength

- Sufficient to withstand 1.5 kV at 50 Hz or 60 Hz applied between the windings and the frame for 1 minute after rated motor operation under normal ambient temperature and humidity.

Temperature Rise

- Temperature rise of windings are 144ºF (80ºC) or less measured by the resistance change method after rated motor operation with connection to gearhead.

Insulation Class

- Class B (266ºF [130ºC])

Overheat Protection

- Built-in thermal protector (Automatic return type). Operating temperature, open: 266ºF ± 9ºF (130ºC ± 5ºC) close: 179.6ºF ± 27ºF (82ºC ± 15ºC)

Ambient Temperature Range

- 14ºF ~ 104ºF (-10ºC ~ 40ºC) (nonfreezing)

Ambient Humidity

- 85% maximum (noncondensing)

Degree of Protection

- IP54

 

©2024 - ORIENTAL MOTOR USA CORP. - All Rights Reserved