There is a scheduled quotes/orders outage today, from 3:00 AM to 8:00 AM US Eastern Time. Thank you for your understanding.

The ES01 couples a user-friendly, multi-functional speed controller with a wide variety of AC speed control motors.
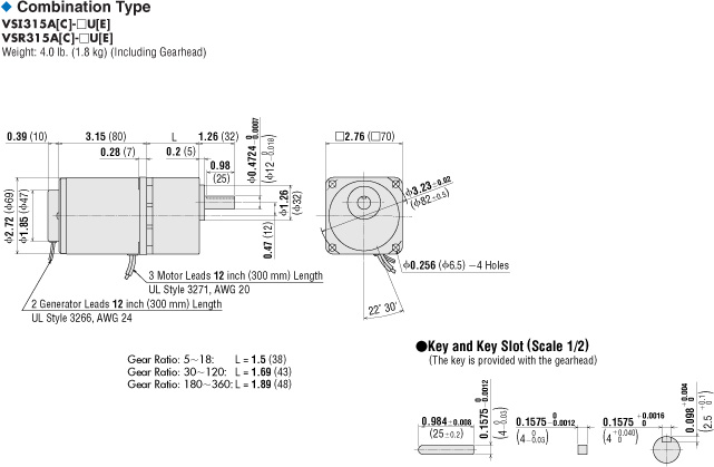
  • High Strength Gearhead
  • AC induction motor for uni-directional rotation
  • Easy to use
  • Speed control function
  • Global safety standard compliant

Specifications

Product Line

- Oriental Motor®

Motor Type

- AC Motor

Motor Frame Size

- 2.76 in. sq.

Output Power

- 15 W (1/50 HP)

Power Supply

- Single-Phase 110/115 VAC

Frequency (Hz)

- 60

Gear Ratio (X:1)

- 15 :1

Shaft/Gear Type

- Parallel Shaft Gearhead

Permissible Torque (1200 r/min) (lb-in)

- 15

Variable Speed Range (r/min)

- 6 ~ 106

Permissible Load Inertia

- 173.25 oz-in2

Speed Control Method (Select one of the following)

- Internal potentiometer External potentiometer (20kΩ, 1/4W)

Number of Speed Settings

- 2

Multi-Speed Setting Method

- One speed set by internal potentiometer and one speed set by external potentiometer.

Instantaneous Stop

- Yes

Multi-Axes Control

- No

Alarm Output

- No

Position Control Mode

- No

Torque Limit Control

- No

Vertical Drive (Gravitational Operation)

- No

Max. Extension Length (m)

- 10

Components

- ES01 (Control Unit) VSI315A-GV (Motor) GV3G15 (Gearhead)

RoHS Compliant

- No

Safety Standards

- UL CSA EN CE

CE Marking

- Low Voltage Directives EMC Directive

Insulation Resistance

- [Motor] 100 MΩ or more when 500 VDC megger is applied between the windings and the case after rated operation under normal ambient temperature and humidity. [Controller] 100 MΩ or more when 500 VDC megger is applied between the case and all the pins, the FG terminal and the AC input terminals under normal ambient temperature and humidity.

Dielectric Strength

- [Motor] Sufficient to withstand 1.5 kV at 50 Hz or 60 Hz applied between the windings and the case for 1 minute after rated operation under normal ambient temperature and humidity. [Controller] Sufficient to withstand 1.5 kV at 50 Hz or 60 Hz applied between the FG terminal and the AC input terminals and 3.0 kV at 50 Hz or 60 Hz applied between all the pins and the case for 1 minute under normal ambient temperature and humidity.

Insulation Class

- [Motor] Class B [266ºF (130ºC)]

Ambient Temperature Range

- [Motor] 14ºF ~ 104ºF (-10ºC ~ 40ºC) (nonfreezing) [Control Unit] 32ºF ~ 104ºF (0ºC ~ 40ºC) (nonfreezing)

Ambient Humidity

- 85% or less (Non-Condensing)

Degree of Protection

- [Controller] IP20 (with cover) [Motor] IP20

 

©2024 - ORIENTAL MOTOR USA CORP. - All Rights Reserved