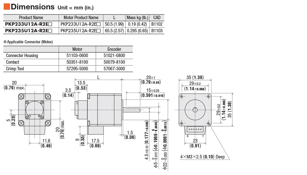
Motor Type
|
-
2-Phase
|
Frame Size
|
-
1.38 in35 mm
|
Motor Length
|
-
1.99 in.50.5 mm
|
Speed-Torque Characteristics
|
-
 Speed - Torque Characteristics
|
Holding Torque
|
-
22 oz-in0.16 N·m
|
Shaft/Gear Type
|
-
Round Shaft with Flat (No Gearhead)
|
Shaft
|
-
Single
|
Type
|
-
Standard
|
Encoder
|
-
Equipped
|
Basic Step Angle
|
-
1.8º
|
Motor Connection Type
|
-
Connector
|
Connection Type
|
-
Unipolar
|
Current per Phase (A/phase)
|
-
1.2
|
Lead Wires
|
-
6
|
Voltage (VDC)
|
-
3.24
|
Resistance (Ω/phase)
|
-
2.7
|
Inductance (mH/phase)
|
-
1.4
|
Rotor Inertia
|
-
0.131 oz-in²24x10-7 kg·m²
|
RoHS Compliant
|
-
Yes
|
Insulation Resistance
|
-
100 MΩ or more when 500 VDC megger is applied between the windings and the case under normal ambient temperature and humidity.
|
Dielectric Strength
|
-
Sufficient to withstand 1.0 kVAC at 60 Hz applied between the windings and the case for 1 minute under normal ambient temperature and humidity.
|
Temperature Rise
|
-
Temperature rise of the windings is 144ºF (80ºC) or less measured by the change resistance method. (at rated current, at standstill, 2 phases energized)
|
Insulation Class
|
-
Class B [266ºF (130ºC)]
|
Ambient Temperature Range
|
-
14 ~ 122ºF (-10 ~ 50ºC) (non-freezing)
|
Ambient Humidity
|
-
85% or less (Non-Condensing)
|
Shaft Runout
|
-
0.05 mm (0.002 in.) T.I.R.
|
Concentricity
|
-
0.075 mm (0.003 in.) T.I.R.
|
Perpendicularity
|
-
0.075 mm (0.003 in.) T.I.R.
|
Radial Play
|
-
0.025 mm (0.001 in.) maximum of 5 N (1.12 lb.)
|
Axial Play
|
-
0.075 mm (0.003 in.) maximum of 10 N (2.2 lb.)
|
Step Accuracy
|
-
±3 arc minutes (±0.05º)
|
Permissible Overhung Load
|
-
0 in. from Shaft End = 4.5 lb0.2 in. from Shaft End = 5.6 lb0.39 in. from Shaft End = 7.6 lb0.59 in. from Shaft End = 11.7 lb0 mm from Shaft End = 20 N5 mm from Shaft End = 25 N10 mm from Shaft End = 34 N15 mm from Shaft End = 52 N
|
Permissible Thrust Load
|
-
The permissible thrust load shall be no greater than the motor mass.
|