There is a scheduled quotes/orders outage today, from 3:00 AM to 8:00 AM US Eastern Time. Thank you for your understanding.

This product has been discontinued, please contact your local sales office for more information.
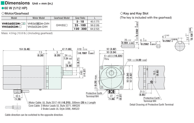
Unit of Measure

Specifications

Product Line

- Oriental Motor®

Motor Type

- Electromagnetic Brake - Induction

Frame Size

- 3.54 in90 mm

Output Power

- 60 W (1/12 HP)

Voltage (VAC)

- Three-Phase 200/220/230 VAC

Frequency (Hz)

- 60 50

Current

- 0.43 A [200 VAC, 60 Hz] 0.45 A [220 VAC, 60 Hz] 0.46 A [230 VAC, 60 Hz] 0.50 A [200 VAC, 50 Hz]

Shaft/Gear Type

- Parallel Shaft Gearhead

Gear Ratio (X:1)

- 250 :1

Output Shaft Diameter

- 18 mm

Type

- Lead Wire

Rated Torque

- 260 lb-in  30 N·m  

Rated Speed (rpm)

- 7.2 [60 Hz] 6 [50 Hz

Permissible Load Inertia

- 15000 oz-in²2750 x 10-4 kg·m²

Permissible Overhung Load

- 0.39 in. from Shaft End = 112 lb0.79 in. from Shaft End = 157 lb10 mm from Shaft End = 500 N20 mm from Shaft End = 700 N

Permissible Thrust Load

- 33 lb150 N

RoHS Compliant

- Yes

Safety Standards

- UL CSA CCC EN CE

CE Marking

- Low Voltage Directives

Insulation Resistance

- 100 MΩ or more when 500 VDC is applied between the windings and the frame after rated motor operation under normal ambient temperature and humidity.

Dielectric Strength

- Sufficient to withstand 1.5 kV at 50 Hz or 60 Hz applied between the windings and the frame for 1 minute after rated motor operation under normal ambient temperature and humidity.

Temperature Rise

- Temperature rise of windings are 126ºF (70ºC) or less measured by the resistance change method after rated motor operation with connection to gearhead.

Insulation Class

- Class B (266ºF [130ºC])

Overheat Protection

- Built-in thermal protector (Automatic return type). Operating temperature, open: 266ºF ± 9ºF (130ºC ± 5ºC) close: 179.6ºF ± 27ºF (82ºC ± 15ºC)

Ambient Temperature Range

- 14ºF ~ 104ºF (-10ºC ~ 40ºC) (nonfreezing)
Three-Phase 200 VAC: 14ºF ~ 122ºF (-10ºC ~ 50ºC) (nonfreezing)

Ambient Humidity

- 85% maximum (noncondensing)

Degree of Protection

- IP40

 

©2024 - ORIENTAL MOTOR USA CORP. - All Rights Reserved