There is a scheduled quotes/orders outage today, from 3:00 AM to 8:00 AM US Eastern Time. Thank you for your understanding.

This product is no longer offered by Oriental Motor, please contact your local sales office.

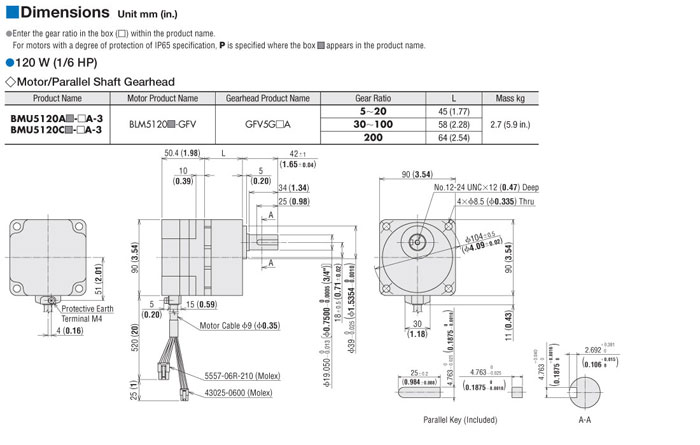
Compatible Motors (sold separately)

Unit of Measure

Lead Time

Available to Ship1 - This product has been discontinued, please contact your local sales office for a replacement.

Specifications

Motor Frame Size

- 3.54 in. sq.

Output Power

- 120 W (1/6 HP)

Shaft/Gear Type

- Parallel Shaft Gearhead

Gear Ratio (X:1)

- 5 :1

Output Shaft Diameter

- 3/4 in.

Electromagnetic Brake

- Not Equipped

RoHS Compliant

- Yes

Safety Standards

- UL CSA CE
  • 1 Quoted Ship Date for orders placed before 12:00pm PST in quantities listed.
    A newer version of this product is available, contact your local sales office for more information.

 

©2024 - ORIENTAL MOTOR USA CORP. - All Rights Reserved